1、全封閉生產
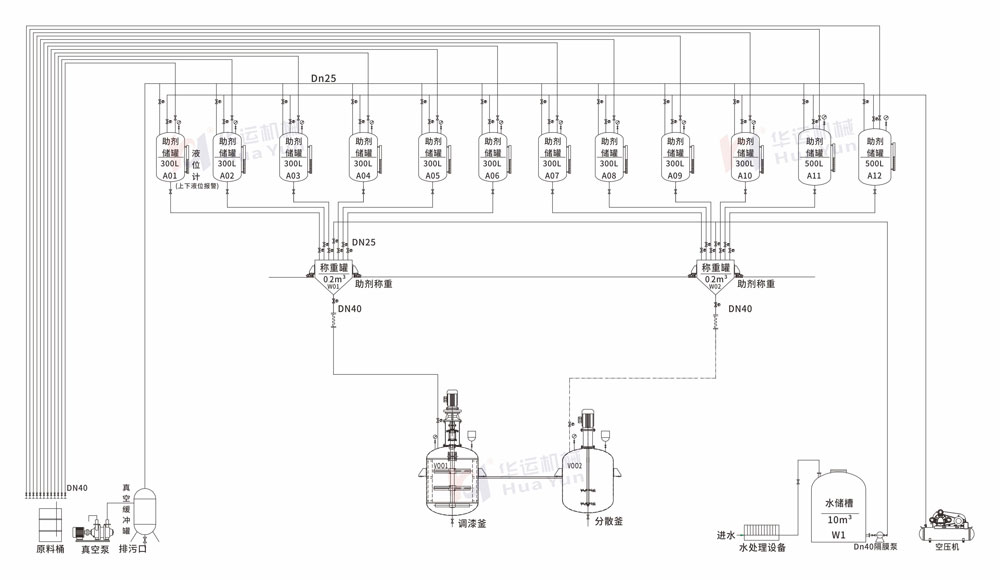
整套設備采用全封閉操作,沒有粉塵污染和有機溶劑揮發,減少了中間環節的損耗,不會造成環境污染。生產過程全自動智能化,工藝實時監控,實時記錄,實現計算機管理模式,無人化作業,完全釋放勞動力,同時提高了生產效率,確保了產品品質。
















E-mail:hyjixie@hyjixie.com
工廠地址:合肥市雙鳳經濟開發區金海路25號
營銷總部地址:合肥市金寨路美第陽光大廈13層
合肥華運機械制造有限公司 版權所有 Copyright ? 2020